
2022-05-16|admin
Our HLAE is unique: It is the world's first planetary gearbox with certified hygienic design-flexible without a radial screw, powerful, and yet ideal for fast and easy cleaning. It has been developed specifically for challenging appli-cations such as in the pharmaceutical, cosmetics and food industries.
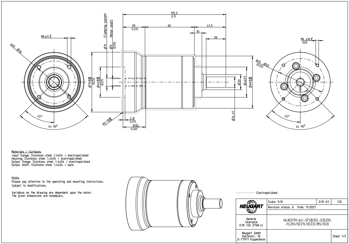
HLAE70 gearbox size drawing
HLAE110 gearbox size drawing
